本文共 705 字,大约阅读时间需要 2 分钟。
使用了串口1,进行开发
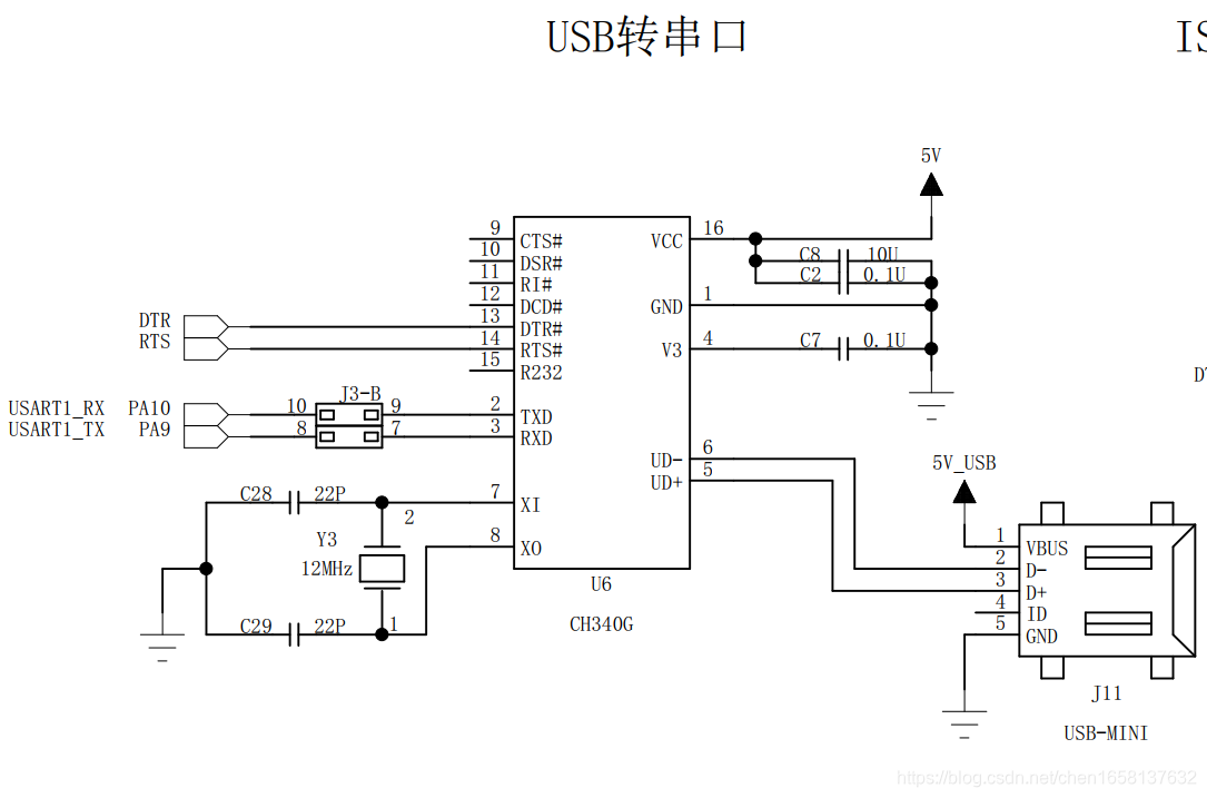
我的原理图是如此,另外需要将A9和A10 两个PIN使用跳冒跳在一起。
原理图
项目的初始化和生成都由stm32cubeMX生成


clk 配置信息
project 配置

这个部分需要增加在main函数外面
/* USER CODE BEGIN 0 */#include#ifdef __GNUC__ #define PUTCHAR_PROTOTYPE int __io_putchar(int ch)#else #define PUTCHAR_PROTOTYPE int fputc(int ch, FILE *f)#endifPUTCHAR_PROTOTYPE{ HAL_UART_Transmit(&huart1,(uint8_t *)&ch,1,0xFFFF);//阻塞方式打印 return ch;}/* USER CODE END 0 */
增加在while 函数中的数据
整个函数实现了,代码的输出。while (1) { /* USER CODE END WHILE */ uint8_t rh = 11; printf("\n\r welcome to www.waveshere.com !!!\n\r"); printf("%d\r\n",rh); HAL_Delay(5000); /* USER CODE BEGIN 3 */ } /* USER CODE END 3 */ 接收函数后将函数发送回去
转载地址:http://kytd.baihongyu.com/